AKT 125CR4-Unishock 2017
Standard125cc10 HP·124 ensambles · 5 repuestos
Repuestos para AKT 125CR4-Unishock 2017
124 ensambles · 5 repuestos disponibles
Ensambles disponibles
124 ensambles · 5 repuestos
M
Motor
(33)
DiagramaBomba De Lubricacion
Motor14 piezas
DiagramaBomba Freno Delantera
Motor14 piezas
DiagramaCaja Transmision
Motor14 piezas
DiagramaCaja Transmision
Motor14 piezas
DiagramaCubierta Transmision
Motor14 piezas
DiagramaValvula Gases
Motor14 piezas
DiagramaArranque Electrico
Motor14 piezas
DiagramaClutch Automatico
Motor14 piezas
DiagramaClutch Primario
Motor14 piezas
DiagramaCubiertas Motor
Motor14 piezas
DiagramaCiguenal Y Piston
Motor14 piezas
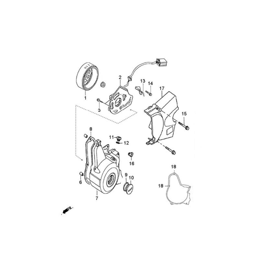
DiagramaCubierta Y Volante
Motor14 piezas
DiagramaCulata Y Cilindro
Motor14 piezas
DiagramaClutch Arranque
Motor14 piezas
DiagramaClutch Automatico
Motor14 piezas
DiagramaClutch Completo
Motor14 piezas
DiagramaCABEZA DE FUERZA
Motor14 piezas
DiagramaCILINDRO
Motor14 piezas
DiagramaCARCAZA CENTRAL IZQUIERDA
Motor14 piezas
M
CADENILLA DE DISTRIBUCIÓN
Motor14 piezas
M
SISTEMA CLUTCH SLIPPER
Motor14 piezas
M
SISTEMA CLUTCH
Motor14 piezas
DiagramaBOMBA LUBRICACIÓN
Motor14 piezas
M
BOMBA LUBRICACIÓN
Motor14 piezas
M
BOMBA ACEITE
Motor14 piezas
M
CARCASA DERECHA
Motor14 piezas
DiagramaCAJA CAMBIOS
Motor14 piezas
DiagramaBOMBA LUBRICACIÓN
Motor14 piezas
DiagramaCAJA CAMBIOS
Motor14 piezas
DiagramaARRANQUE
Motor14 piezas
DiagramaARRANQUE
Motor14 piezas
M
ARRANQUE
Motor14 piezas
DiagramaCARBURADOR
Motor14 piezas
CH
Chasis
(66)
DiagramaMofle
Chasis49 piezas
DiagramaAmortiguador Stop
Chasis49 piezas
DiagramaGuardabarros Trasero
Chasis49 piezas
DiagramaGuardabarros Trasero
Chasis49 piezas
DiagramaCarenaje Traseros
Chasis49 piezas
DiagramaCarenajes Manubrio
Chasis49 piezas
DiagramaMofle
Chasis49 piezas
DiagramaSillin Gaveta
Chasis49 piezas
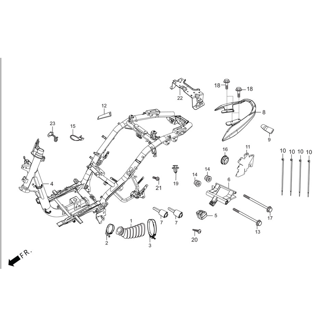
DiagramaChasis Y Herrajes
Chasis49 piezas
DiagramaComandos Y Manubrio
Chasis49 piezas
DiagramaFarola Nkd
Chasis49 piezas
DiagramaFarola Slr
Chasis49 piezas
DiagramaFreno Delantero Nkd
Chasis49 piezas
DiagramaFreno Delantero Slr-Nkdr
Chasis49 piezas
DiagramaHorquilla Inferior
Chasis49 piezas
DiagramaMofle
Chasis49 piezas
DiagramaPedales Y Posapies
Chasis49 piezas
DiagramaRueda Delantera Nkd - R
Chasis49 piezas
DiagramaRueda Delantera Slr
Chasis49 piezas
DiagramaRueda Trasera Nkd
Chasis49 piezas
DiagramaRueda Trasera Slr
Chasis49 piezas
DiagramaSillin Y Tapas Laterales
Chasis49 piezas
DiagramaTanque Combustible Slr
Chasis49 piezas
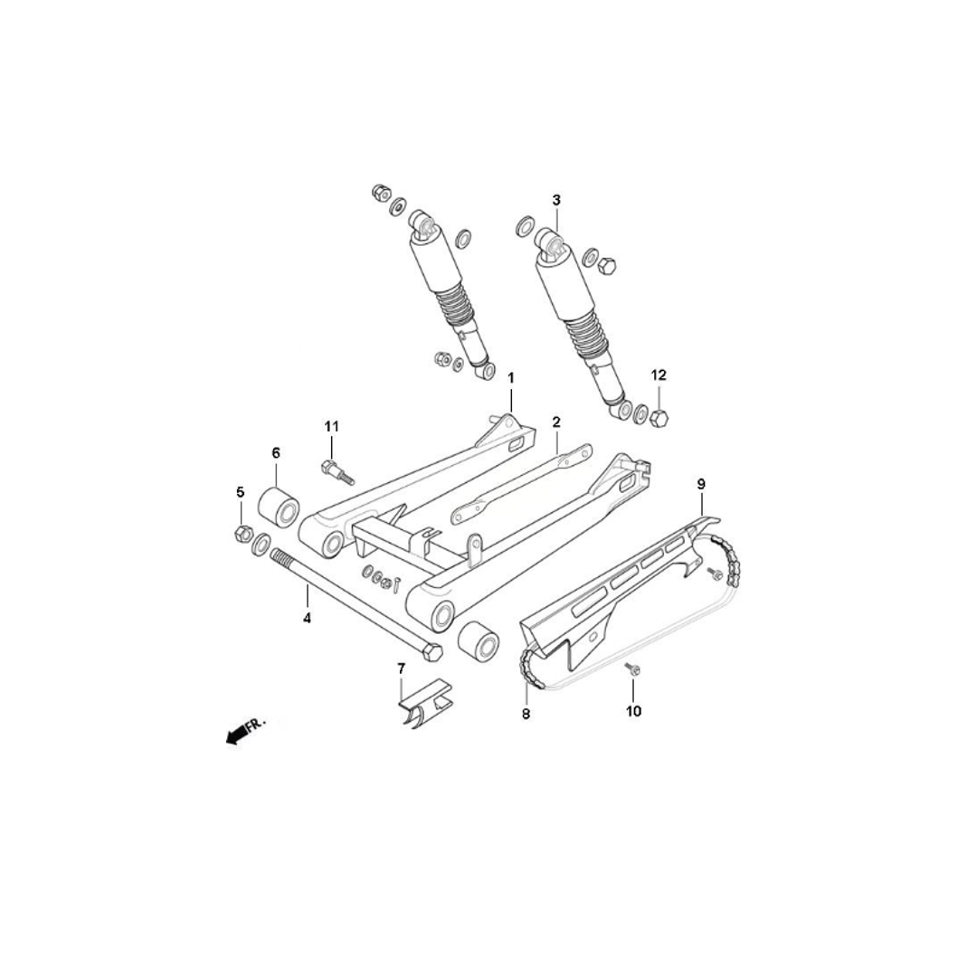
DiagramaTijera Y Amortiguador
Chasis49 piezas
DiagramaCarenaje
Chasis49 piezas
DiagramaFarola Y Velocimetro
Chasis49 piezas
DiagramaFreno Trasero Aspas
Chasis49 piezas
DiagramaGuardabarros
Chasis49 piezas
CH
Horquillas Manubrio
Chasis49 piezas
DiagramaMofle
Chasis49 piezas
DiagramaPosapie
Chasis49 piezas
DiagramaRueda Trasera Aspas
Chasis49 piezas
DiagramaSuspension
Chasis49 piezas
DiagramaCarenaje Traseros
Chasis49 piezas
DiagramaMofle
Chasis49 piezas
DiagramaMofle
Chasis49 piezas
DiagramaMofle
Chasis49 piezas
DiagramaCARBURADOR
Chasis49 piezas
DiagramaCOMANDOS
Chasis49 piezas
CH
COMANDOS
Chasis49 piezas
DiagramaCOMANDOS
Chasis49 piezas
CH
CARENAJE TRASERO
Chasis49 piezas
CH
CUNAS DIRECCION
Chasis49 piezas
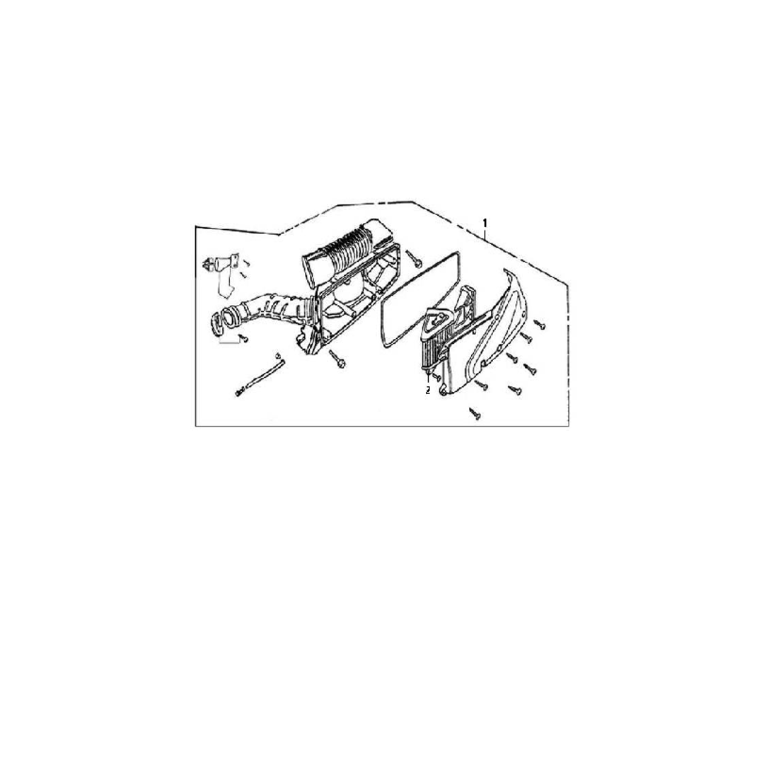
CH
CAJA FILTRO
Chasis49 piezas
CH
COMANDOS / RETROVISORES
Chasis49 piezas
CH
CAJA FILTRO
Chasis49 piezas
CH
CUBIERTAS / SILLIN
Chasis49 piezas
CH
Assembly F-13
Chasis49 piezas
CH
Assembly F-14
Chasis49 piezas
CH
Assembly F-15
Chasis49 piezas
DiagramaCAJA FILTRO
Chasis49 piezas
CH
Assembly F-17
Chasis49 piezas
CH
BUJES TIJERA
Chasis49 piezas
DiagramaTIJERA UNISHOCK
Chasis49 piezas
CH
CHASIS
Chasis49 piezas
CH
DIRECCIONALES TRASERAS Y STOP
Chasis49 piezas
DiagramaACCESORIOS
Chasis49 piezas
DiagramaACCESORIOS
Chasis49 piezas
CH
Assembly F-23
Chasis49 piezas
CH
ACCESORIOS
Chasis49 piezas
DiagramaBATERIA
Chasis49 piezas
CH
SISTEMA DE GASES
Chasis49 piezas
DiagramaCHASIS
Chasis49 piezas
CH
PARRILLA
Chasis49 piezas
CH
CALCOMANIAS
Chasis49 piezas
CH
KITS Y SETS
Chasis49 piezas
#
OTHER
(25)#
ENGINE
OTHER14 piezas
#
FRAME
OTHER49 piezas
DiagramaCubiertas Inferiores
OTHER
DiagramaCalcomanias Slr
OTHER
DiagramaCarcaza Central
OTHER
DiagramaCubiertas Frontales
OTHER
DiagramaCubiertas Traseras
OTHER
#
OTHER
OTHER
DiagramaAmortiguadores
OTHER
DiagramaCarcaza Derecha
OTHER
DiagramaCarcaza Derecha
OTHER
DiagramaCarenajes Frontal
OTHER
DiagramaCarenajes Frontal
OTHER
DiagramaComplementarios
OTHER
DiagramaCulatin
OTHER
DiagramaEje Levas Balancines
OTHER
DiagramaGaveta
OTHER
DiagramaGenerador Electrico
OTHER
DiagramaPartes Electrico
OTHER
DiagramaSoportes
OTHER
DiagramaSoportes
OTHER
DiagramaSoportes
OTHER
DiagramaSoportes
OTHER
DiagramaCalco
OTHER
DiagramaCubiertas Inferiores
OTHER